南通方圣石化设备有限公司主要开发生产S系列静态混合器、喷射器、减温器,VJG系列精细过滤器、SB系列泵用过滤器,以及消声器、视镜、阻火器、呼吸阀等九大类。
   静态混合器
   蒸汽加热设备系列
   动态混合设备
   过滤设备
   一、管道过滤器
     1、SBY过滤器
     2、SBT过滤器
     3、SBL过滤器
     4、SBV过滤器
     5、SBW过滤器
   二、自洁式过滤器
     1、ZJD自洁式过滤器
     2、ZJD刷式自洁式过滤器
     3、ZJD吸吮扫描式过滤器
     4、ZJDL反冲洗自洁式过滤器
     5、ZJDP导流自洁式过滤器
     6、ZJD自洁式过滤器电控装置
     7、使用指南
   三、手动清洗过滤器
   四、精细过滤器
     1、ZJF过滤器
     2、常见滤芯式精细过滤器
     3、袋式精细过滤器
   五、空气过滤器
     1、FSGI型送风空气过滤器
     2、FSGII型吹风空气过滤器
   活性碳过滤器
   七、盘式过滤器
   八、FSD消气过滤器
   九、滤件系列
     1、VJGM型金属滤芯
     2、VJGM型非金属滤芯
     3、滤袋系列
   纸浆专用设备
   管用专用小型设备
   油罐附件系列
   煤气管道排水器
 

南通方圣石化设备有限公司
地址:启东市汇龙镇台角工业园区
邮编:226200
电话:0513-83639880
传真:0513-83639099
在线咨询:
微信:15851380122
微信:15365547782
http://www.ntfssh.com
E-mail:fs@ntfssh.com

产品介绍 首页 >> 产品介绍
非金属滤芯精细过滤器VJGN型
1、纤维烧结滤芯精细过滤器VJGN-Ⅰ型
  VJGN-Ⅰ型精细过滤器,其滤件采用特定的短纤维烧结滤芯,具有处理大,使用寿命长、过滤精度高等特点。用于液体过滤,过滤精度1~125μm。
  VJGN-I型精细过滤器主要应用实例
  -天然气开采的胺脱硫加工流程中贫胺、富胺过滤;
  -原油开采中,工业污水过滤、注水过滤;
  -石油精炼的轻质燃油加工流程中,如石脑油、轻烃油、柴油、 汽油、急冷水等过滤;
  -化工生产的工厂进水、工艺水、树脂、溶剂过滤。
2、线缠绕式滤芯精细过滤器VJGN-Ⅱ型
  VJGN-Ⅱ型精细过滤器其滤件采用纺织纤维纱缠绕式滤芯,具有过滤能力强,纳污能力大,适用范围广等优点,主要用于液体过滤,过滤精度0.5~100μm。
  VJGN-Ⅱ型精细过滤器主要应用实例
  -芳烃抽提工艺流程中各类溶剂过滤,如环丁砜,二乙二醇醚、三乙二醇醚、四乙二醇醚、二甲基亚砜等;
  -加氢脱硫工艺流程中贫液、富液过滤;
  -聚酯行业中,C5~C10烷类、烃类过滤;
  -化工、轻工行业:工业水、高质量油墨、油漆等过滤;
  -天然气过滤。
3、聚丙烯折叠式滤芯精细过滤器VJGN-Ⅲ型
  VJGN-Ⅲ型精细过滤器,其滤件采用聚丙烯折叠式滤芯,具有过滤精度高,处理量大等优点,可用于液体、气体过滤,过滤精度0.1~60μm。
  VJGN-Ⅲ型精细过滤器主要应用实例
  -天然气开采中天然气及洗气用的胺过滤;
  -制药行业:无菌水、气体除菌,各种输液最终过滤;
  -化学工业:有机溶剂、醇等过滤;
  -食品工业:食用油,发酵罐空气过滤等。
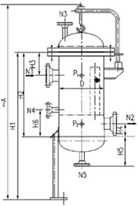
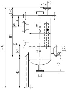
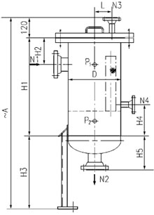
  VJGN型精细过滤器典型结构及尺寸
VJGN-A型
VJGN-B型
VJGN-C型
VJGN-A型
 ★注:滤芯数指折合标准型滤芯(10″长)数目;VJGN-A-08~VJGN-A-16平盖为吊臂移动式。
VJGN-B型
 ★注:滤芯数指折合标准型滤芯(10″长)数目;VJGN-B-08~VJGN-B-16平盖为吊臂移动式。
VJGN-C型
 ★注:滤芯数指折合标准型滤芯(10″长)数目。
 
南通方圣石化设备有限公司 地址:启东市汇龙镇台角工业园区 邮编:226200 混合器|汽水混合器
电话:0513-83639880 传真:0513-83639099