南通方圣石化设备有限公司主要开发生产S系列静态混合器、喷射器、减温器,VJG系列精细过滤器、SB系列泵用过滤器,以及消声器、视镜、阻火器、呼吸阀等九大类。
   静态混合器
   蒸汽加热设备系列
   动态混合设备
   过滤设备
   一、管道过滤器
     1、SBY过滤器
     2、SBT过滤器
     3、SBL过滤器
     4、SBV过滤器
     5、SBW过滤器
   二、自洁式过滤器
     1、ZJD自洁式过滤器
     2、ZJD刷式自洁式过滤器
     3、ZJD吸吮扫描式过滤器
     4、ZJDL反冲洗自洁式过滤器
     5、ZJDP导流自洁式过滤器
     6、ZJD自洁式过滤器电控装置
     7、使用指南
   三、手动清洗过滤器
   四、精细过滤器
     1、ZJF过滤器
     2、常见滤芯式精细过滤器
     3、袋式精细过滤器
   五、空气过滤器
     1、FSGI型送风空气过滤器
     2、FSGII型吹风空气过滤器
   活性碳过滤器
   七、盘式过滤器
   八、FSD消气过滤器
   九、滤件系列
     1、VJGM型金属滤芯
     2、VJGM型非金属滤芯
     3、滤袋系列
   纸浆专用设备
   管用专用小型设备
   油罐附件系列
   煤气管道排水器
 

南通方圣石化设备有限公司
地址:启东市汇龙镇台角工业园区
邮编:226200
电话:0513-83639880
传真:0513-83639099
在线咨询:
微信:15851380122
微信:15365547782
http://www.ntfssh.com
E-mail:fs@ntfssh.com

产品介绍 首页 >> 产品介绍
SB系列管道过滤器概述
一、工作原理与功能
  SB系列管道过滤器适用于石油、化工、轻工、医药、食品等行业生产中的液体及气体物料,用以过滤其固体杂质。通常安装在泵、压缩机的入口或流量计前的管道上,以保护此类设备和仪表。过滤器也是提高产品纯度,净化气体的小型设备。其工作大原理是当流体进入过滤器时,过滤系统的过滤介质(滤网)阻挡流体中的固体杂质,达到净化的目的。
二、型号标记
◎ 标记示例
  1、公称通径100mm、公称压力1.6MPa、滤网规格80目/英寸,主体材质为碳钢的角式直通管道过滤器,则标记为:SBYⅠ100-1.6/80C
  2、公称通径250、公称压力2.5MPa、滤网规格60目/英寸,主体材质为不锈钢的角式斜通管道过滤器,则标记为:SBJ250-2.5/60S
  3、公称通径80、公称压力4.0MPa、滤网规格30目/英寸,主体材质为不锈钢的直通篮式过滤器,则标记为:SBLⅠ80-4.5/30S
表1
三、规格型号与技术参数
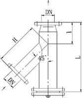
  SBJ系列过滤器是在引进国外先进技术基础上,结合我厂多年生产过滤器的经验,研究开发成功的。结构采用斜接式,结构合理,操作简单,过滤面积大,压力损失小,清洗和更换滤网方便。使用寿命长等优点。
  SBJ角式斜通法兰连接过滤器      DN50-250、PN≤5.0MPa,(见图一、表2)
图一
 
表2
四、订货须知
  1、订货时请正确写清产品名称、型号、主要技术参数,介质名称及特性,法兰标准及规格、材质,滤网规格及其它特殊要求等。
  2、本公司生产的管道过滤器,法兰是以化工部HG为标准,用户如采用其它法兰标准,请在合同中注明。
  3、主体材质除用户特殊要求外,碳钢一般采用20钢,不锈钢一般采用ICr18Ni9Ti。
  4、滤网材质除用户特殊要求外,一般采用ICr18Ni9Ti。滤网规格一般采用30目/英寸。当另有要求时,可按附表1选择其中的任何一种规格。
  5、我公司同时可以制造化学工业部工程建设标准HGJ532-91《化工管道过滤器》中所有型号过滤器。
  ◎附表1
 
南通方圣石化设备有限公司 地址:启东市汇龙镇台角工业园区 邮编:226200 混合器|汽水混合器
电话:0513-83639880 传真:0513-83639099