南通方圣石化设备有限公司主要开发生产S系列静态混合器、喷射器、减温器,VJG系列精细过滤器、SB系列泵用过滤器,以及消声器、视镜、阻火器、呼吸阀等九大类。
   静态混合器
   蒸汽加热设备系列
   动态混合设备
   过滤设备
   一、管道过滤器
     1、SBY过滤器
     2、SBT过滤器
     3、SBL过滤器
     4、SBV过滤器
     5、SBW过滤器
   二、自洁式过滤器
     1、ZJD自洁式过滤器
     2、ZJD刷式自洁式过滤器
     3、ZJD吸吮扫描式过滤器
     4、ZJDL反冲洗自洁式过滤器
     5、ZJDP导流自洁式过滤器
     6、ZJD自洁式过滤器电控装置
     7、使用指南
   三、手动清洗过滤器
   四、精细过滤器
     1、ZJF过滤器
     2、常见滤芯式精细过滤器
     3、袋式精细过滤器
   五、空气过滤器
     1、FSGI型送风空气过滤器
     2、FSGII型吹风空气过滤器
   活性碳过滤器
   七、盘式过滤器
   八、FSD消气过滤器
   九、滤件系列
     1、VJGM型金属滤芯
     2、VJGM型非金属滤芯
     3、滤袋系列
   纸浆专用设备
   管用专用小型设备
   油罐附件系列
   煤气管道排水器
 

南通方圣石化设备有限公司
地址:启东市汇龙镇台角工业园区
邮编:226200
电话:0513-83639880
传真:0513-83639099
在线咨询:
微信:15851380122
微信:15365547782
http://www.ntfssh.com
E-mail:fs@ntfssh.com

产品介绍 首页 >> 产品介绍
袋式精细过滤器
一、产品概述
  ZJF系列袋式精细过滤器主要由滤袋、滤框、壳体三部分组成一个简便、高效、经济的过滤系统,待过滤 物料由上口进入滤袋,杂质被截留在滤袋内,从而得到干净的流体。由于其操作方便,成本低廉、处理量大、 过滤精度高。因而广泛用于石油产品、化工产品、油漆、食品饮料、污水等方面的过滤。
ZJF系列袋式精细过滤器适用于任何微细颗粒(小于1000ppm)的过滤,精度范围可从1至1000μm及处理量 从1至1000m3/h的液体过滤。
二、常用结构及参数
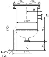
1、单袋式精细过滤器VJGB-I型
  ★注:1、表中所列流量以水为介质;
     2、设备工作压力≤1.0MPa;
     3、进出口接管规格:DN50、PN1.6。
2、多袋式精细过滤器VJGB-II型
①四袋式精细过滤器VJGB-4II
主要技术参数:
工作压力≤1.0MPa
工作温度≤200℃
处理量:140m3/h(以水为介质)
进出口接管规格:DN100 PN1.6
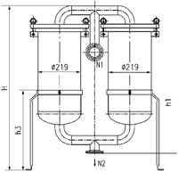
②五至八只袋精细过滤器VJBG-5~8II型
  ★注:1、表中所列流量以水为介质,工作压力≤1.0MPa
     2、进出口N1、N2接管规格,VJGB-5、6Ⅱ为DN100、PN1.6
       VJGB-7、8Ⅱ为DN150、PN1.6
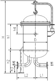
3、并联式精细过滤器VJGB-III型
  ★注:1、表中所列流量以水为介质,工作压力≤1.0MPa
     2、进出口接管规格:DN65、PN1.6
三、应用领域
四、滤袋特征表
  ★注:△表示性能优异
五、滤袋参数
  ★注:△表示有此规格
 
南通方圣石化设备有限公司 地址:启东市汇龙镇台角工业园区 邮编:226200 混合器|汽水混合器
电话:0513-83639880 传真:0513-83639099