南通方圣石化设备有限公司主要开发生产S系列静态混合器、喷射器、减温器,VJG系列精细过滤器、SB系列泵用过滤器,以及消声器、视镜、阻火器、呼吸阀等九大类。
   静态混合器
   蒸汽加热设备系列
   动态混合设备
   过滤设备
   一、管道过滤器
     1、SBY过滤器
     2、SBT过滤器
     3、SBL过滤器
     4、SBV过滤器
     5、SBW过滤器
   二、自洁式过滤器
     1、ZJD自洁式过滤器
     2、ZJD刷式自洁式过滤器
     3、ZJD吸吮扫描式过滤器
     4、ZJDL反冲洗自洁式过滤器
     5、ZJDP导流自洁式过滤器
     6、ZJD自洁式过滤器电控装置
     7、使用指南
   三、手动清洗过滤器
   四、精细过滤器
     1、ZJF过滤器
     2、常见滤芯式精细过滤器
     3、袋式精细过滤器
   五、空气过滤器
     1、FSGI型送风空气过滤器
     2、FSGII型吹风空气过滤器
   活性碳过滤器
   七、盘式过滤器
   八、FSD消气过滤器
   九、滤件系列
     1、VJGM型金属滤芯
     2、VJGM型非金属滤芯
     3、滤袋系列
   纸浆专用设备
   管用专用小型设备
   油罐附件系列
   煤气管道排水器
 

南通方圣石化设备有限公司
地址:启东市汇龙镇台角工业园区
邮编:226200
电话:0513-83639880
传真:0513-83639099
在线咨询:
微信:15851380122
微信:15365547782
http://www.ntfssh.com
E-mail:fs@ntfssh.com

产品介绍 首页 >> 产品介绍
篮式过滤器
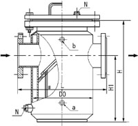
(1)篮式法兰连接直通平底过滤器(SBLⅠ)(PN≤5.0MPa, DN15~300)
(2)篮式法兰连接重叠型直通平底过滤器(SBLⅠM)(PN≤5.0MPa, DN15~300)
SBLⅠ、SBLⅠM
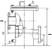
(3)篮式带夹套法兰连接直通平底过滤器(SBLⅠF)(PN≤5.0MPa, DN15~200)
SBLⅠF
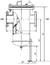
(4)篮式法兰连接直通封头式过滤器(SBLⅡ)(PN≤5.0MPa, DN200~500)
(5)篮式法兰连接重叠型直通封头式过滤器(SBLⅡM型)(PN≤5.0MPa, DN200~500)
SBLⅡ、SBLⅡM
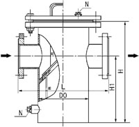
(6)篮式法兰连接高低接管平底过滤器(SBLⅢ) (PN≤5.0MPa, DN25~300)
(7)篮式法兰连接重叠型高低接管平底过滤器(SBLⅢM)(PN≤5.0MPa, DN25~300)
SBLⅢ、SBLⅢM
 
南通方圣石化设备有限公司 地址:启东市汇龙镇台角工业园区 邮编:226200 混合器|汽水混合器
电话:0513-83639880 传真:0513-83639099