|
WGP型喷射器(适用药液:盐酸、碱)
主要结构尺寸及技术参数 |
|
|
|
本产品采用耐腐蚀型树脂为念接剂,玻璃纤维为增强材料,整体模压而成。 |
|
(一)主要结构尺寸 |
| 型号 |
配离子交换器直径 |
外型尺寸 |
联接尺寸 |
| L |
L1 |
H |
Dg1 |
Dg2 |
| WGP-1007 |
1000 |
322 |
222 |
100 |
40 |
25 |
| WGP-1511 |
1500 |
525 |
397 |
120 |
80 |
25 |
| WGP-2014 |
2000 |
527 |
406 |
150 |
80 |
40 |
| WGP-2216 |
2200 |
521 |
405 |
151 |
80 |
40 |
| WGP-2518 |
2500 |
666 |
507 |
143 |
100 |
40 |
| WGP-3023 |
3000 |
690 |
514 |
150 |
100 |
50 |
| WGP-3225 |
3200 |
857 |
665 |
162 |
125 |
50 |
|
|
|
|
(二)主要技术性能 |
| 型号 |
高压原水压力 |
再生溶液出口压力MPa(兆帕) |
溶液进口浓度 |
再生溶液出口浓度 |
再生溶液出口流量(t/h) |
| (NaOH) |
(HCL) |
| WGP-1007 |
0.196~0.392 |
0.118~0.196 |
40 |
30 |
2.5~5.0 |
2.88~5.12 |
| WGP-1511 |
40 |
30 |
2.5~5.0 |
7.1~11.1 |
| WGP-2014 |
40 |
30 |
2.5~5.0 |
11.4~17.5 |
| WGP-2216 |
40 |
30 |
2.5~5.0 |
15~23.6 |
| WGP-2518 |
40 |
30 |
2.5~5.0 |
19.89~25.2 |
| WGP-3023 |
40 |
30 |
2.5~5.0 |
31.1~48.77 |
| WGP-3225 |
40 |
30 |
2.5~4.0 |
34.83~49.43 |
|
|
|
| 图片点击放大 |
|
|
钢制喷射器 |
概述: |
喷射器是依靠高压液体(一般为水),经喷咀形成的高速所产生的负压来吸入并喷射另一种低压流的设备,同时具有混合作用,在水处理中,钢制喷射器用来稀释和输送碱再生液。 |
|
技术特性表
|
| 进口水压MPa |
<0.278 |
吸入室真空mmHg |
237.5 |
| 进口水℃ |
20-30 |
入口药液浓度 |
30% |
| 出口水压MPa |
0.15 |
出口药液浓度 |
4% |
| 喷射量t/h |
见表 |
|
|
|
|
产品标记例 |
|
|
简图 |

|
|
主要技术数据及结构尺寸表
|
| 产品标记 |
PG3.9 |
PG8.9 |
PG15.7 |
PG24.6 |
PG35.4 |
| 喷射量t/h |
3.9 |
8.9 |
15.7 |
24.6 |
35.4 |
| Amm |
120 |
140 |
180 |
180 |
180 |
| Bmm |
82.5 |
117.5 |
175.5 |
165.5 |
207 |
| Cmm |
334 |
482 |
679 |
725 |
724 |
| DN1mm |
25 |
25 |
32 |
40 |
50 |
| DN2mm |
50 |
65 |
100 |
100 |
125 |
| DN3mm |
50 |
65 |
100 |
100 |
125 |
| 重量Kg |
8.5 |
14 |
35 |
35.9 |
60 |
| 配套离子交换器直径mm |
Ø1000 |
Ø1500 |
Ø2000 |
Ø2500 |
Ø3000 |
|
|
图片点击放大 |
|
衬里喷射器 |
概述 |
喷射器是依靠高压液体(一般为水),经喷咀形成的高速流所产生的负压来吸入并喷射另一种低压流的设备,同时具有混合作用,在水处理中,衬里喷射器用来稀释和输送盐酸再生液。 |
|
技术特性表
|
| 进口水压MPa |
>0.31 |
吸入室真空mmHg |
190 |
| 进口水℃ |
20-30 |
入口药液浓度 |
31% |
| 出口水压MPa |
0.15 |
出口药液浓度 |
5% |
| 喷射量t/h |
见表 |
|
|
|
|
产品标记例 |
|
|
简图 |

|
|
|
主要技术数据及结构尺寸表
|
| 产品标记 |
PG3.9 |
PG8.9 |
PG15.7 |
PG24.6 |
PG35.4 |
| 喷射量t/h |
3.9 |
8.9 |
15.7 |
24.6 |
35.4 |
| Amm |
120 |
110 |
120 |
130 |
160 |
| Bmm |
91.5 |
165 |
140 |
190 |
240 |
| Cmm |
329 |
605 |
586 |
734 |
965 |
| DN1mm |
25 |
25 |
32 |
40 |
50 |
| DN2mm |
40 |
80 |
80 |
100 |
125 |
| DN3mm |
40 |
80 |
80 |
100 |
125 |
| 重量Kg |
8.25 |
17 |
15 |
24 |
27.7 |
| 配套离子交换器直径mm |
Ø1000 |
Ø1500 |
Ø2000 |
Ø2500 |
Ø3000 |
|
图片点击放大
|
|
树脂喷射器 |
|
一、概述: |
喷射器是依靠高压液体(一般为水),经喷咀形成的高速流所产生的负压来吸入并喷射另一种低压流的设备,同时具有混合作用,在水处理中,树脂喷射器用来输送树脂。 |
| |
二、技术特性表 |
| 设计压力MPa |
0.3 |
介质浓度 |
<50% |
| 设计温度℃ |
50 |
设备材料 |
1Cr18Ni9Ti |
| 介质 |
树脂 |
重量Kg |
35.74 |
|
三、产品标记 |
 |
四、简图 |
 |
| 图片点击放大 |
|
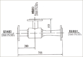
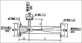
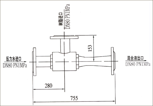
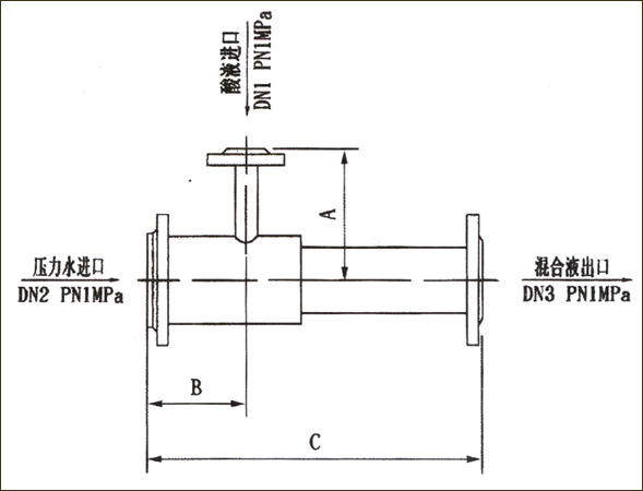
碱液喷射器(碳素钢) |
|
|

|
1.进口水压(MPa):>0.278
2.进口水温(℃):20-30
3.出口压力(MPa):≈0.15
4.吸入室真空(mmHg):≈237.5
5.入口酸液浓度:30%
6.出口酸液浓度:4% |
| |
| 配套离子交换器直径(mm) |
Ø1000 |
Ø1500 |
Ø2000 |
Ø2500 |
Ø3000 |
| 喷射器出力t/h |
3.9 |
8.9 |
15.7 |
24.6 |
35.4 |
| 结构尺寸 |
A(mm) |
120 |
110 |
180 |
180 |
180 |
| B(mm) |
82.5 |
117.5 |
175.5 |
165.5 |
207 |
| C(mm) |
251.5 |
64.9 |
503.5 |
559.7 |
517.1 |
| 连接法兰 |
酸液进口法兰 |
DN1 |
25 |
25 |
32 |
40 |
50 |
| Ø1 |
85 |
85 |
100 |
110 |
125 |
| Ø2 |
115 |
115 |
135 |
145 |
160 |
| n1-Mm1×L1 |
4-M12×45 |
4-M12×45 |
4-M16×50 |
4-M16×55 |
4-M16×55 |
| 压力水进口法兰 |
DN2 |
50 |
65 |
100 |
100 |
125 |
| Ø3 |
125 |
145 |
180 |
180 |
210 |
| Ø4 |
160 |
180 |
215 |
215 |
245 |
| n2-Mm2×L2 |
4-M16×70 |
4-M16×80 |
8-M16×80 |
8-M16×80 |
8-M16×80 |
| 酸溶液出口法兰 |
DN3 |
50 |
65 |
100 |
100 |
125 |
| Ø5 |
125 |
145 |
180 |
180 |
210 |
| Ø6 |
160 |
180 |
250 |
215 |
245 |
| n3-Mm3×L3 |
4-M14×55 |
4-M16×60 |
8-M16×65 |
8-M16×65 |
8-M16×65 |
|
图片点击放大
|
|
|
|
|
|