JHF型高效换热器 |
| 一、产品概述 |
普通列管式换热器因其结构简单,造价低廉,通用性强等得到了极为广泛的应用。但对高粘度物料进行换热操作,换热效率则显著降低,且由于管内存在较大的断面温度分布不均匀性,因而也会产生其他质量劣化问题。
针对这一难题,本公司长期跟踪相关动向,并与有关科研所合作攻关,成功开发出J H F型高效换热器。本系列换热器换热管采用静态混合元件,其总传热系数比普通换热器提高3-6倍。静态混合元件在传热方面的卓越表现已得到业内人士的一致认同。JHF型高效换热器的开发成功,再一次以实践证明了传热与传质的相似性理论。 |
| 二、性能特点 |
JHF型高效换热器除具有一般列管式换热器的优点外,还具有以下特点:
● 传热效率普遍提高,尤其是对高粘度物料。
● 管内物料不存在断面温度分布不均匀性。
● 管程具有一定的自洁作用。
● 为达到相同换热效果,可降低传热温差而降低熵损,提高热能利用率。
● 为达到相同换热效果,可减少传热面积,减少装置占地面积。 |
| 三、适用范围 |
| J H F型高效换热器特别适用于对高粘度物料的换热操作,其粘度范围为50-500000cp。广泛应用于石油化工、食品工业和合成纤维方面。如PBT、PET 工聚丙烯晴、聚对苯二甲酸乙二酯等(详细设计、选型请与本公司联系)。 |
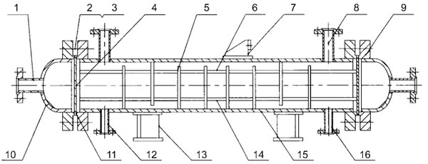
| 四、结构形式 |
|
1、管箱 2、螺栓 3、螺母 4、管板 5、折流板 6、换热管 7、耳架 8、排气口
9、设备法兰 10、封头 11、垫片 12、排液口 13、支座 14、拉杆 15、筒体 16 壳程接管 |
注:1、本系列为固定管板式。
2、换热管采用正三角形排列,按标准规定选用。
3、折流板为弓形圆缺形,缺口位置上下型和左右型均可。
4、壳程进口未设防冲板,如需要可在订货时提出。
5、安装方式分立式和卧式。
6、管子与管板采用焊接。
7、本系列中设备法兰均为凹凸面法兰,接管法兰根据工艺计算选用或用户指定。 |
| 五、技术参数 |
|
★注: 1、压力:0.6、1.0、1.6、2.5MPa四种(真空可按0.6MPa选用)
2、温度:按材料许用温度选用,本系列设计温度为200℃,可按相关规定升温降压使用。
3、材料:主要有16MnR、1Cr18Ni9Ti、Q235-A、0Cr17Ni12Mo2Ti。 |
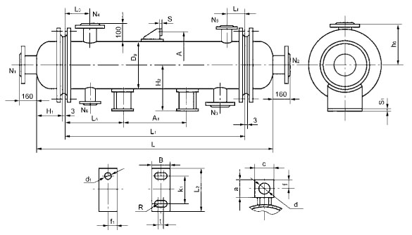
| 六、安装尺寸 |
|
| JHF150型 |
|
| JHF200型 |
|
| JHF250型 |
|
| JHF300型 |
|
| JHF400型 |
|
| 七、型号标注说明 |
 |
 |
| 八、标记示例 |
| 如公称直径为400,公称压力为1.0M P a,换热面积为9m2,换热管规格为φ19,材质:壳体为碳钢,其余为不锈钢的高效换热器,其型号表示为:JHF400-1.0-9II-CS |
| 九、应用举例 |
某厂P B T生产工艺中第一预缩聚换热器原用光管式换热器规格为21m2。采用高效换热器后,换热面积仅为3.6m2,节能增效明显。其物料参数如下:
1、管程:PBT预聚物比重1.1t/m3,粘度1400cp,比热0.65kcal/kg℃,导热系数0.106kcal/m.h.℃,流量15100kg/h,压力0.7MPa,结垢系数0.0002m2.h ℃/KJ,温度从240℃至242.5℃。
2、壳程:YD300导热油密度840kg/m3, 比热0.63kcal/kg℃,导热系数0.091kcal/m.h. ℃,粘度0.48cst , 温度从270℃降至267℃。 |
JHF型高效换热器技术参数提交单 |
|
★注:1、根据实际需要填写或选择表项。
2、所有接管法兰均配对供应。
3、特殊要求可另附图表及文字说明。
4、除本系列外,本公司还可为客户设计、制造串联套管式高效换热器,效果十分理想。 |