南通方圣石化设备有限公司主要开发生产S系列静态混合器、喷射器、减温器,VJG系列精细过滤器、SB系列泵用过滤器,以及消声器、视镜、阻火器、呼吸阀等九大类。
   静态混合器
   蒸汽加热设备系列
   动态混合设备
   过滤设备
   纸浆专用设备
   管用专用小型设备
   一、高炉消声器
   1、GMX高炉煤气减压阀消声器
   2、GLX高炉冷风放风阀消声器
   3、GJX高炉均压放散阀消声器
   4、GGX高炉鼓风机放风阀消声器
   5、SFX烧结机主轴风机出口消声器
   6、CWX烧结除尘风机消声器
   7、SLX烧结冷却风机进口消器
   8、ZFX助燃风机配用消声器
   9、JCX焦化除尘风机消声器
   二、风机配套消声器
   1、LK高中压离心风机消声器
   2、QX、QH高压离心通风机消声器
   3、ZDL中低压离心风机消声器
   4、PA盘式消声器
   5、CZ轴流风机消声器
   6、LFX罗茨风机配用消声器
   7、TJX、TYX通风机配套消声器
   三、气体放散类
   1、KAP压缩空气排放消声器
   2、AP压缩空气放散消声器
   3、KOGP高压氧气放散消声器
   4、OGP高压氧气放散消声器
   5、KODP低压氧气放散消声器
   6、ODP低压氧气放散消声器
   7、KNP氮气放散消声器
   8、KHP不锈钢扩散缓冲放空消声器
   9、ZX蒸汽、空气放空消声器
   10、SP蒸汽排放消声器
   11、KX锅炉排气小孔消声器
   四、隔 声 罩
   1、GS可拆式隔声罩
   订 货 须 知
   五、阻火器
   六、采 样 器
   1、JCXL在线式采样器
   2、JCXM密闭式采样器
   3、JCXW取样冷却器
   4、JCXG罐下采样器
   七、蒸汽分水器
   八、乏气分油器
   九、SZT自动脱水器
   十、视镜
   十一、安全喷淋洗眼器
   1、XYQ-PⅠ普通复合式喷淋洗眼器
   2、XYQ-PⅡ型普通洗眼器
   3、脚踏防冻复合式喷淋洗眼器
   4、XYQ-FⅡ型脚踏防冻洗眼器
   5、XYQ-FⅢ型手动防冻喷淋器
   6、XYQ-FⅣ型手动防冻洗眼器
   7、电伴热防冻复合式喷淋洗眼器
   油罐附件系列
   煤气管道排水器
 

 南通方圣石化设备有限公司
 地址:启东市汇龙镇台角工业园区
 邮编:226200
 电话:0513-83639880
 传真:0513-83639099
 在线咨询:
 微信:15851380122
 微信:15365547782
 http://www.ntfssh.com
 E-mail:fs@ntfssh.com

产品介绍 首页 >> 产品介绍
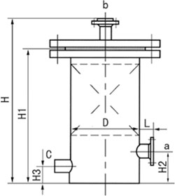
乏 气 分 油 器
一、产品特性
  乏气分油器能有效地除掉乏气中夹带的润滑油滴,对保护环境和整个装置正常运行都具有十分重要的意义。我公司生产的VSJ型乏气分油器主要技术参数如下:
  操作介质:水蒸汽;设计压力:0.3MPa;180℃。
二、产品规格
三、订货说明
  1、本系列设备已按蒸汽管尺寸考虑了相应的分油面积,用户直接根据蒸汽管径选用。
  2、本系列设备接管法兰按HG20592-97标准,也可提供GB、SH、JB、ANSI、JIS等标准管法兰,但订货时,用户必须注明。
  3、本系列设备材质为碳钢,用户如选用不锈钢等材料,订体内时应注明。
 
南通方圣石化设备有限公司 地址:启东市汇龙镇台角工业园区 邮编:226200 混合器|汽水混合器
电话:0513-83639880 传真:0513-83639099